
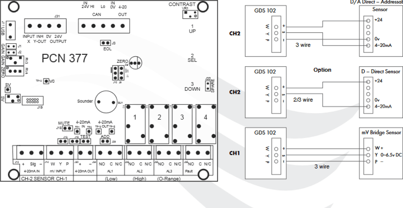
A fixed dual sensor gas alarm unit that meets the requirements for economic and reliable monitoring of gas levels in a wide range of environments, from commercial premises through to heavy industrial applications that may require hazardous area sensing. The GDS102 may be utilised as a standalone unit or as an addressable sensor forming part of the GDS Combi CANbus addressable network system and therefore offering the features of our most advanced system.Typical monitor locations are – public buildings, boiler plant rooms, swimming pools, water treatment works,H&V control systems, manufacturing and process plants.


